压力表
电接点压力表
高静压差压表
不锈钢压力表
高精度数显压力表
冷媒压力表
差压液位计
差压液位计
石油抗震压力表
抗震压力表
法兰式抗震压力表
泥浆表
电接点抗震压力表
由壬式抗震压力表
由壬组合泥浆表
压力变送器
K.YB.B161微差压传感器
K.Y40102D 液位压力变送器
K.40102D 物联网压力变送器
K.KT40106 可调压力控制器
K.PT3050制冷压力变送器
K.40100 压力变送器
K.40100M超高纯压力变送器
K.PCM3051 差压变送器
K.40104 压力变送器
K.40102 无线压力变送器
K.40101 压力变送器
K.40106 防爆压力变送器
K.40105 智能压力变送器
K.NO氮氧传感器
一体式数显传感器
温度变送器
K.WB.20088K温度变送器
K.WB20088 温度变送器
K.WB40101 显示型温度变送器
K.WB40106 防爆型压力变送器
K.WB40105(Hart协议)温度变送器
压力开关
智能压力开关
双金属温度计
机械式双金属温度计
数显式双金属温度计
压力式温度计
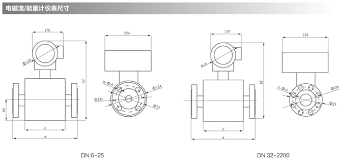
流量计/能量计
电磁流量计
热式质量流量计
涡街流量计
超声波流量计
旋进旋涡流量计
气体涡轮流量计
液体涡轮流量计
阀门
膜片减压阀
活塞减压阀
背压阀
更多产品……
电 磁 流 量 计